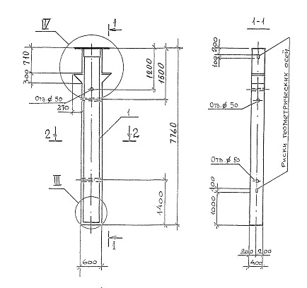
Колонна железобетонная 2КО 6-72(72)-9 из серии 1.420.1-32 предназначена для использования в строительстве как несущий элемент. Ее прочная конструкция обеспечивает надежную поддержку верхних этажей здания и распределение нагрузок. Колонна имеет высокую степень устойчивости к воздействию внешних факторов и долгий срок службы.









